沈阳东镭光电

024-81029219

138-0498-9131

DL Photoelectricity
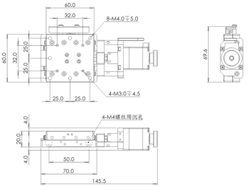
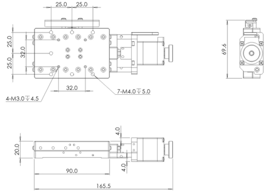
薄型电动位移台 E12-60

薄型电动位移台 E12-60

产品特点:位移台厚度只有20mm,采用交叉滚子导轨。


0.00
0.00
  

产品特点:位移台厚度只有20mm,采用交叉滚子导轨。


型号

E12-6020

E12-6030

E12-6050

机械规格

行程

20mm

30mm

50mm

台面尺寸

60x60mm

传动方

滚珠丝杆 Ø6mm,导程1mm

导轨

交叉滚柱导轨

材质

-黑色阳极氧化处理

0.4kg

0.7kg

1.3kg

精度规格

分辨率

5μm

最大速度

10mm/秒

单向定位精度

<25μm

重复定位精度

±2μm

承重

8kgf

10kgf

运动直线度

5μm

20um

运动平行度

20um

30um

上下摆动

30"

60"

左右摆动

20"

50"

电气规格

限位传感器

EE-SX

步进电机

2相步进,转角1.8°

电源电压

24V±10%

控制接口

DB9公端连接器

E12-6020                                                                                                                         E12-6030


E12-6050

  • 姓名*
  • 电话*
  • 邮箱
  • 请输入您想要的咨询产品
提交