沈阳东镭光电

024-81029219

138-0498-9131

DL Photoelectricity
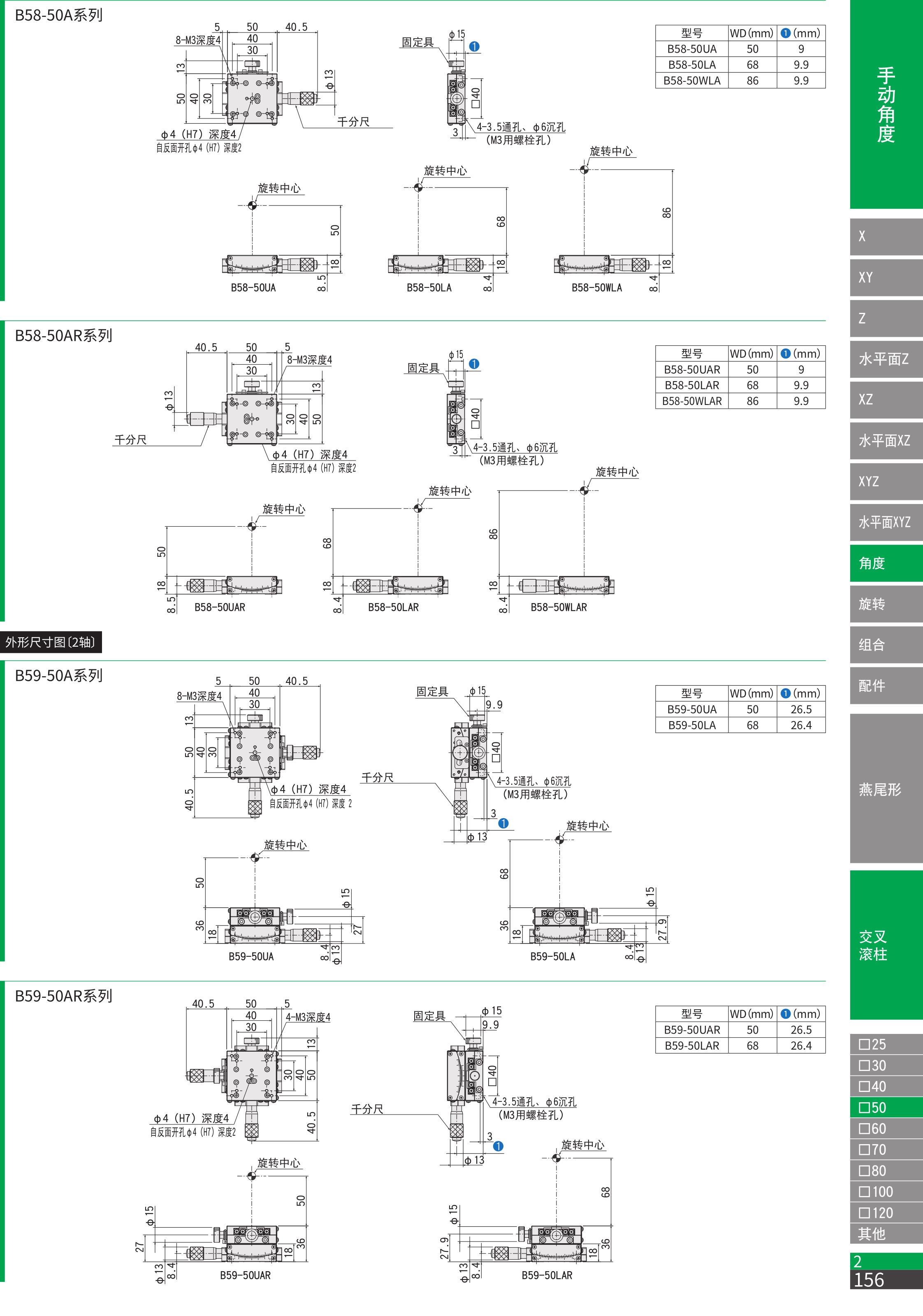
交叉滚柱角度滑台(千分尺中心进给)□50 :B58/B59-50A系列

交叉滚柱角度滑台(千分尺中心进给)□50 :B58/B59-50A系列

 在移动导轨上采用交叉滚柱、 进给结构上

采用千分尺的高精度角度滑台。

 旋转中心振动精度为0.01mm以下(1轴)的高精度。

 最适合细微定位等用途。


0.00
0.00
  

 在移动导轨上采用交叉滚柱、 进给结构上

采用千分尺的高精度角度滑台。

 旋转中心振动精度为0.01mm以下(1轴)的高精度。

 最适合细微定位等用途。



  • 姓名*
  • 电话*
  • 邮箱
  • 请输入您想要的咨询产品
提交